Мотор-редукторы для кран-балок КР 676
|
Назначение: Мотор-редукторы предназначены для комплектации грузоподъемного оборудования в качестве привода механизма перемещения, а также в качестве привода общего назначения. Условия применения: - режим работы ПВ - 25 % - вращение выходных валов - в любую сторону; - внешняя среда - неагрессивная, невзрывоопасная с содержанием непроводящей пыли до 10 мг/м3; - климатическое исполнение У (категории размещения 3) по ГОСТ 15150-69 при работе на высоте над уровнем моря до 1000 м; - допускается работа мотор-редукторов на высоте более 1000 м над уровнем моря при соблюдении требований ГОСТ 183-74; - двигатели мотор-редукторов выполнены для работы от сети переменного тока с частотой 50 Гц, номинальным напряжением 380 В. Технические характеристики: ![]()
|
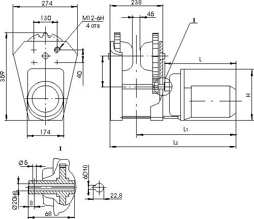
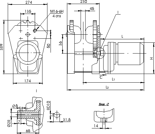
| Тележки приводные - тип КР 676. 01. 110, КР 676. 01. 300 |
|
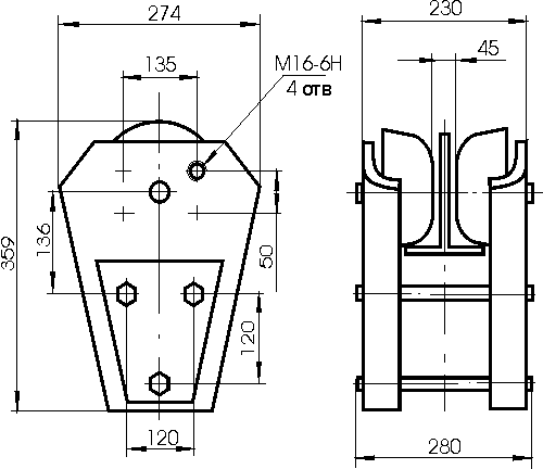
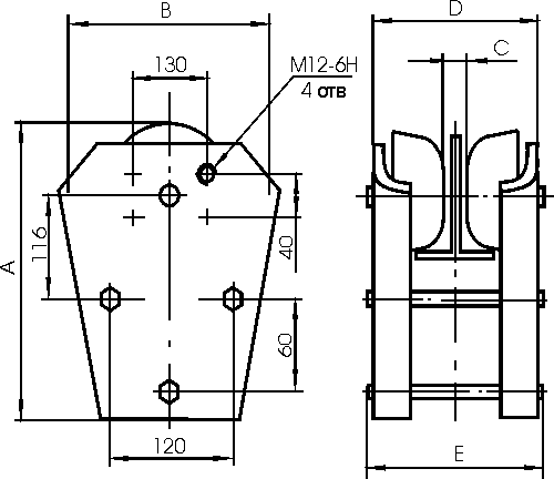
Назначение: Тележка приводная предназначена для механизмов перемещающихся по монорельсу. Возможное применение данных устройств: привод шасси кран-балок, привод для раздвижных ворот, привод шасси монорельсовых транспортеров различного назначения и другого оборудования. Конструкция механизма представляет собой тележку с приводными роликами и мотор-редуктор. Привод на ролики тележки осуществляется от мотор-редуктора через открытую зубчатую пару. Технические характеристики: ![]() ![]() Тележка приводная КР 676. 01. 110 Габаритные и присоединительные размеры ![]() ![]() ![]() ![]() Тележка приводная КР 676. 01. 300 Габаритные и присоединительные размеры Габаритные и присоединительные размеры ![]() ![]() ![]() ![]() Тележки холостые - тип КР676.01.080, КР676.01.210 Назначение: Тележка холостая - несущий узел шасси механизма перемещения по монорельсу. Технические характеристики: ![]() ![]() Тележка холостая КР 676. 01. 080 Габаритные и присоединительные размеры: ![]() ![]() ![]() ![]() Тележка холостая КР 676. 01. 210 Габаритные и присоединительные размеры: ![]() ![]() |


















