МЦ2С
Цилиндрические соосные мотор-редукторы. Тип МЦ2С-63, МЦ2С-80, МЦ2С-100, МЦ2С-125
Назначение
Цилиндрический двухступенчатый мотор-редуктор типа МЦ2С является электромеханическим приводом общемашиностроительного применения.
Для комплектации применяются специальные асинхронные трехфазные короткозамкнутые двигатели. Применение специальных двигателей повышенной точности позволило монтировать ведущую шестерню непосредственно на валу двигателя
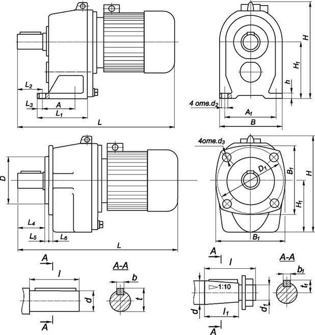
Редуктор выполнен по соосной схеме с расположением валов в вертикальной плоскости.
Корпус редуктора литой чугунный состыкован в вертикальной плоскости двумя цилиндрическими штифтами и болтами.
Зубчатые передачи мотор-редуктора 1МЦ2С-100Н выполняются с зацеплением Новикова с модифицированным исходным контуром, остальные мотор-редукторы с эвольвентным зацеплением с исходным контуром по ГОСТ 13755-81.
Условное обозначение
МЦ2С-80-45-1,5-G110-Ц-У3-380В, где:
МЦ2С - тип мотор-редуктора;
80 - межосевое расстояние, мм;
45 - номинальная частота вращения выходного вала, об/мин;
1,5 - мощность комплектующего электродвигателя, кВт;
G110 - конструктивное исполнение по способу монтажа;
Ц - вариант исполнения выходного вала;
У3 - климатическое исполнение;
380В- номинальное напряжение сети переменного тока.
Конструктивное исполнение по способу монтажа

Габаритные и присоединительные размеры мотор-редукторов МЦ2С

|
Тип |
А |
А1 |
B |
B1 |
D |
D1 |
H |
L |
H1 |
L1 |
L2 |
L3 |
L4 |
|
не более |
|||||||||||||
|
МЦ2С-63 |
110 |
150 |
185 |
230 |
180 |
215 |
288 |
544 |
140 |
160 |
48 |
15 |
65 |
|
МЦ2С-80 |
115 |
180 |
225 |
250 |
200 |
240 |
333 |
624 |
170 |
175 |
75 |
22 |
82 |
|
МЦ2С-100 |
130 |
210 |
255 |
270 |
230 |
275 |
400 |
700 |
212 |
195 |
102 |
20 |
120 |
|
МЦ2С-125 |
160 |
280 |
335 |
360 |
300 |
350 |
530 |
913 |
265 |
235 |
105 |
25 |
120 |
|
Тип |
L5 |
L6 |
h |
d |
d1 |
d2 |
d3 |
l |
l1 |
b |
b1 |
t |
t1 |
|
МЦ2С-63 |
7 |
12 |
16 |
28 |
М16 |
12 |
14 |
60 |
42 |
8 |
5 |
31 |
15 |
|
МЦ2С-80 |
7 |
14 |
18 |
35 |
М20 |
15 |
14 |
80 |
58 |
10 |
6 |
38 |
18,6 |
|
МЦ2С-100 |
5 |
15 |
22 |
45 |
- |
15 |
14 |
110 |
- |
14 |
- |
49 |
- |
|
МЦ2С-125 |
5 |
20 |
28 |
55 |
М36 |
19 |
18 |
110 |
82 |
16 |
14 |
59 |
29 |
Технические характеристики МЦ2С:
|
Номинальная частота вращения выходного вала, об/мин |
Номинальный крутящий момент на тихоходном валу, Н•м |
Номинальная радиальная консольная нагрузка, приложенная в середине посадочной поверхности выходного конца тихоходного вала, Н |
Масса мотор-редуктора, без смазки, не более, кг |
Электродвигатель |
КПД мотор-редуктора, % не менее |
||
|
Типоразмер |
Мощность, кВт |
Частота вращения, об/мин |
|||||
|
мотор-редуктор МЦ2С-63 |
|||||||
|
28 |
175 |
3300 |
21 |
АИР71В6РЗ |
0,55 |
1000 |
66 |
|
31,5 |
162 |
3200 |
27 |
АИР80В8РЗ |
0,55 |
750 |
62 |
|
35,5 |
140 |
3000 |
21 |
АИР71В6РЗ |
0,55 |
1000 |
66 |
|
190 |
3500 |
27 |
АИР80А6РЗ |
0,75 |
1000 |
68 |
|
|
40 |
123 |
2800 |
21 |
АИР71В6РЗ |
0,55 |
1000 |
66 |
|
168 |
3200 |
27 |
АИР80А6РЗ |
0,75 |
1000 |
68 |
|
|
45 |
113 |
2600 |
21 |
АИР71В6РЗ |
0,55 |
1000 |
66 |
|
154 |
3100 |
27 |
АИР80А6РЗ |
0,75 |
1000 |
68 |
|
|
50 |
140 |
3000 |
27 |
АИР80А6РЗ |
0,75 |
1000 |
68 |
|
102 |
2500 |
21 |
АИР71В6РЗ |
0,55 |
1000 |
66 |
|
|
206 |
3600 |
27 |
АИР80А6РЗ |
1,1 |
1000 |
72 |
|
|
56 |
96 |
2400 |
21 |
АИР71А4РЗ |
0,55 |
1500 |
72 |
|
140 |
3000 |
21 |
АИР71В4РЗ |
0,75 |
1500 |
73 |
|
|
206 |
3400 |
27 |
АИР80А4РЗ |
1,1 |
1500 |
73 |
|
|
63 |
81 |
2200 |
21 |
АИР71А4РЗ |
0,55 |
1500 |
72 |
|
113 |
2600 |
21 |
АИР71В4РЗ |
0,75 |
1500 |
73 |
|
|
162 |
3200 |
27 |
АИР80А4РЗ |
1,1 |
1500 |
73 |
|
|
71 |
75 |
2100 |
21 |
АИР71А4РЗ |
0,55 |
1500 |
72 |
|
105 |
2600 |
21 |
АИР71В4РЗ |
0,75 |
1500 |
73 |
|
|
148 |
3000 |
27 |
АИР80А4РЗ |
1,1 |
1500 |
73 |
|
|
80 |
65 |
2000 |
21 |
АИР71А4РЗ |
0,55 |
1500 |
72 |
|
89 |
2300 |
21 |
АИР71В4РЗ |
0,75 |
1500 |
73 |
|
|
128 |
2800 |
27 |
АИР80А4РЗ |
1,1 |
1500 |
73 |
|
|
174 |
3300 |
27 |
АИР80В4РЗ |
1,5 |
1500 |
75 |
|
|
90 |
57 |
1800 |
21 |
АИР71А4РЗ |
0,55 |
1500 |
72 |
|
78 |
2200 |
21 |
АИР71В4РЗ |
0,75 |
1500 |
73 |
|
|
112 |
2600 |
27 |
АИР80А4РЗ |
1,1 |
1500 |
73 |
|
|
153 |
3100 |
27 |
АИР80В4РЗ |
1,5 |
1500 |
75 |
|
|
100 |
51 |
1800 |
21 |
АИР71А4РЗ |
0,55 |
1500 |
72 |
|
71 |
2100 |
21 |
АИР71В4РЗ |
0,75 |
1500 |
73 |
|
|
102 |
2500 |
27 |
АИР80А4РЗ |
1,1 |
1500 |
73 |
|
|
138 |
2900 |
27 |
АИР80В4РЗ |
1,5 |
1500 |
75 |
|
|
112 |
47 |
1700 |
21 |
АИР71А4РЗ |
0,55 |
1500 |
72 |
|
65 |
2000 |
21 |
АИР71В4РЗ |
0,75 |
1500 |
73 |
|
|
92 |
2300 |
27 |
АИР80А4РЗ |
1,1 |
1500 |
73 |
|
|
128 |
2400 |
27 |
АИР80В4РЗ |
1,5 |
1500 |
75 |
|
|
187 |
3400 |
32 |
АИР90А4РЗ |
2,2 |
1500 |
78 |
|
|
Номинальная частота вращения выходного вала, об/мин |
Номинальный крутящий момент на тихоходном валу, Н•м |
Номинальная радиальная консольная нагрузка, приложенная в середине посадочной поверхности выходного конца тихоходного вала, Н |
Масса мотор-редуктора, без смазки, не более, кг |
Электродвигатель |
КПД мотор-редуктора, % не менее |
||
|
Типоразмер |
Мощность, кВт |
Частота вращения, об/мин |
|||||
|
125 |
43 |
1600 |
21 |
АИР71А4РЗ |
0,55 |
1500 |
72 |
|
59 |
1900 |
21 |
АИР71В4РЗ |
0,75 |
1500 |
73 |
|
|
84 |
2300 |
27 |
АИР80А4РЗ |
1,1 |
1500 |
73 |
|
|
114 |
2600 |
27 |
АИР80В4РЗ |
1,5 |
1500 |
75 |
|
|
159 |
3100 |
27 |
АИР80В2РЗ |
2,2 |
3000 |
80 |
|
|
140 |
37 |
1500 |
21 |
АИР71А4РЗ |
0,55 |
1500 |
72 |
|
52 |
1800 |
21 |
АИР71В4РЗ |
0,75 |
1500 |
73 |
|
|
73 |
2100 |
27 |
АИР80А4РЗ |
1,1 |
1500 |
73 |
|
|
101 |
2500 |
27 |
АИР80В4РЗ |
1,5 |
1500 |
75 |
|
|
149 |
3100 |
27 |
АИР80В2РЗ |
2,2 |
3000 |
80 |
|
|
160 |
33 |
1400 |
16 |
АИР63В2 |
0,55 |
3000 |
72 |
|
43 |
1650 |
21 |
АИР71А2РЗ |
0,75 |
3000 |
75 |
|
|
64 |
2000 |
21 |
АИР71В2РЗ |
1,1 |
3000 |
75 |
|
|
88 |
2300 |
27 |
АИР80А2РЗ |
1,5 |
3000 |
74,5 |
|
|
129 |
2800 |
27 |
АИР80В2РЗ |
2,2 |
3000 |
86 |
|
|
180 |
27 |
1300 |
16 |
АИР63В2 |
0,55 |
3000 |
72 |
|
36 |
1500 |
21 |
АИР71А2РЗ |
0,75 |
3000 |
75 |
|
|
53 |
1800 |
21 |
АИР71В2РЗ |
1,1 |
3000 |
75 |
|
|
73 |
2100 |
27 |
АИР80А2РЗ |
1,5 |
3000 |
74 |
|
|
107 |
2500 |
27 |
АИР80В2РЗ |
2,2 |
3000 |
86 |
|
|
150 |
3000 |
32 |
АИР90А2РЗ |
3 |
3000 |
81 |
|
|
200 |
25 |
1200 |
16 |
АИР63В2 |
0,55 |
3000 |
72 |
|
34 |
1400 |
21 |
АИР71А2РЗ |
0,75 |
3000 |
75 |
|
|
50 |
1700 |
21 |
АИР71В2РЗ |
1,1 |
3000 |
75 |
|
|
68 |
2000 |
27 |
АИР80А2РЗ |
1,5 |
3000 |
74 |
|
|
100 |
2500 |
27 |
АИР80В2РЗ |
2,2 |
3000 |
86 |
|
|
145 |
3000 |
32 |
АИР90А2РЗ |
3 |
3000 |
81 |
|
|
224 |
22 |
1100 |
16 |
АИР63В2 |
0,55 |
3000 |
72 |
|
29 |
1300 |
21 |
АИР71А2РЗ |
0,75 |
3000 |
75 |
|
|
46 |
1700 |
21 |
АИР71В2РЗ |
1,1 |
3000 |
75 |
|
|
63 |
1900 |
27 |
АИР80А2РЗ |
1,5 |
3000 |
74 |
|
|
92 |
2400 |
27 |
АИР80В2РЗ |
2,2 |
3000 |
86 |
|
|
125 |
2700 |
32 |
АИР90А2РЗ |
3 |
3000 |
81 |
|
|
250 |
19 |
1000 |
16 |
АИР63В2 |
0,55 |
3000 |
72 |
|
2 |
1200 |
21 |
АИР71А2РЗ |
0,75 |
3000 |
75 |
|
|
42 |
1600 |
21 |
АИР71В2РЗ |
1,1 |
3000 |
75 |
|
|
57 |
1900 |
27 |
АИР80А2РЗ |
1,5 |
3000 |
74 |
|
|
84 |
2300 |
27 |
АИР80В2РЗ |
2,2 |
3000 |
86 |
|
|
114 |
2600 |
32 |
АИР90А2РЗ |
3 |
3000 |
81 |
|
|
280 |
18 |
1000 |
16 |
АИР63В2 |
0,55 |
3000 |
72 |
|
24 |
1200 |
21 |
АИР71А2РЗ |
0,75 |
3000 |
75 |
|
|
36 |
1500 |
21 |
АИР71В2РЗ |
1,1 |
3000 |
75 |
|
|
50 |
1700 |
27 |
АИР80А2РЗ |
1,5 |
3000 |
74 |
|
|
73 |
2100 |
27 |
АИР80В2РЗ |
2,2 |
3000 |
86 |
|
|
99 |
2400 |
32 |
АИР90А2РЗ |
3 |
3000 |
81 |
|
|
315 |
15 |
1000 |
16 |
АИР63В2 |
0,55 |
3000 |
72 |
|
20 |
1100 |
21 |
АИР71А2РЗ |
0,75 |
3000 |
75 |
|
|
32 |
1400 |
21 |
АИР71В2РЗ |
1,1 |
3000 |
75 |
|
|
43 |
1600 |
27 |
АИР80А2РЗ |
1,5 |
3000 |
74 |
|
|
64 |
2000 |
27 |
АИР80В2РЗ |
2,2 |
3000 |
86 |
|
|
86 |
2300 |
32 |
АИР90А2РЗ |
3 |
3000 |
81 |
|
|
355 |
14 |
950 |
16 |
АИР63В2 |
0,55 |
3000 |
72 |
|
19 |
1100 |
21 |
АИР71А2РЗ |
0,75 |
3000 |
75 |
|
|
29 |
1300 |
21 |
АИР71В2РЗ |
1,1 |
3000 |
75 |
|
|
39 |
1500 |
27 |
АИР80А2РЗ |
1,5 |
3000 |
74 |
|
|
58 |
1900 |
27 |
АИР80В2РЗ |
2,2 |
3000 |
86 |
|
|
79 |
2200 |
32 |
АИР9012РЗ |
3 |
3000 |
81 |
|
|
400 |
12 |
850 |
16 |
АИР63В2 |
0,55 |
3000 |
72 |
|
16 |
1000 |
21 |
АИР71А2РЗ |
0,75 |
3000 |
75 |
|
|
25 |
1200 |
21 |
АИР71В2РЗ |
1,1 |
3000 |
75 |
|
|
35 |
1400 |
27 |
АИР80А2РЗ |
1,5 |
3000 |
74 |
|
|
51 |
1700 |
27 |
АИР80В2РЗ |
2,2 |
3000 |
86 |
|
|
69 |
2000 |
32 |
АИР9012РЗ |
3 |
3000 |
81 |
|
|
Номинальная частота вращения выходного вала, об/мин |
Номинальный крутящий момент на тихоходном валу, Н•м |
Номинальная радиальная консольная нагрузка, приложенная в середине посадочной поверхности выходного конца тихоходного вала, Н |
Масса мотор-редуктора, без смазки, не более, кг |
Электродвигатель |
КПД мотор-редуктора, % не менее |
||
|
Типоразмер |
Мощность, кВт |
Частота вращения, об/мин |
|||||
|
мотор-редуктор МЦ2С-80 |
|||||||
|
28 |
250 |
4000 |
36 |
AИP90LA8P3 |
0,75 |
750 |
72 |
|
368 |
4800 |
40 |
AИP90LB8P3 |
1,1 |
750 |
74 |
|
|
31,5 |
220 |
3700 |
36 |
AИP90LA8P3 |
0,75 |
750 |
72 |
|
325 |
4500 |
40 |
AИP90LB8P3 |
750 |
74 |
||
|
35,5 |
292 |
4300 |
40 |
AИP90LB8P3 |
1,1 |
750 |
74 |
|
368 |
4800 |
37 |
AИP90L6P3 |
1,5 |
1000 |
73 |
|
|
40 |
252 |
4000 |
40 |
АИР90LВ8РЗ |
1,1 |
750 |
74 |
|
345 |
4600 |
37 |
AИP90L6H3 |
1,5 |
1000 |
73 |
|
|
45 |
230 |
3800 |
40 |
АИР90LВ8РЗ |
1,1 |
750 |
74 |
|
304 |
4400 |
37 |
AИP90L6P3 |
1,5 |
1000 |
73 |
|
|
50 |
210 |
3600 |
40 |
АИР90LВ8РЗ |
1,1 |
750 |
74 |
|
280 |
4200 |
37 |
AИP90L6BP3 |
1,5 |
1000 |
73 |
|
|
408 |
5000 |
46 |
AИP100L6P3 |
2,2 |
1000 |
78 |
|
|
56 |
242 |
3900 |
37 |
AHP90L6P3 |
1,5 |
1000 |
73 |
|
366 |
4800 |
36 |
AИP90L4P3 |
2,2 |
1500 |
78 |
|
|
366 |
4800 |
46 |
AИP100L6P3 |
2,2 |
1000 |
78 |
|
|
63 |
210 |
3600 |
37 |
AИP90L6P3 |
1,5 |
1000 |
73 |
|
308 |
4400 |
46 |
АИР100L6РЗ |
2,2 |
1000 |
78 |
|
|
71 |
190 |
3400 |
37 |
АИР90L6РЗ |
1,5 |
1000 |
73 |
|
303 |
4300 |
36 |
AИP90L4P3 |
2,2 |
1500 |
78 |
|
|
303 |
4300 |
46 |
АИР100L6РЗ |
2,2 |
1000 |
78 |
|
|
393 |
5000 |
41 |
AИP100S4P3 |
3 |
1500 |
79 |
|
|
80 |
250 |
4000 |
36 |
AИP90L4P3 |
2,2 |
1500 |
78 |
|
250 |
4000 |
46 |
АИР100L6РЗ |
2,2 |
1000 |
78 |
|
|
340 |
4600 |
41 |
AИP100S4P3 |
3 |
1500 |
79 |
|
|
90 |
228 |
3800 |
36 |
AИP90L4P3 |
2,2 |
1500 |
78 |
|
228 |
3800 |
46 |
АИР100L6РЗ |
2,2 |
1000 |
78 |
|
|
310 |
4200 |
41 |
AИP100S4P3 |
3 |
1500 |
79 |
|
|
100 |
210 |
3600 |
36 |
AИP90L4P3 |
2,2 |
1500 |
78 |
|
210 |
3600 |
46 |
АИР100L6РЗ |
2,2 |
1000 |
78 |
|
|
280 |
4200 |
41 |
AИP100S4P3 |
3 |
1500 |
79 |
|
|
112 |
185 |
3400 |
36 |
AИP90L4P3 |
2,2 |
1500 |
78 |
|
250 |
4000 |
41 |
AИP100S4P3 |
3 |
1500 |
79 |
|
|
332 |
4600 |
47 |
AИP100L4P3 |
4 |
1500 |
82 |
|
|
140 |
256 |
4000 |
47 |
АИР100L4РЗ |
4 |
1500 |
82 |
|
302 |
4800 |
51 |
АИР100L2РЗ |
5,5 |
3000 |
85 |
|
|
160 |
225 |
3800 |
43 |
AИP100S2P3 |
4 |
3000 |
84 |
|
310 |
4400 |
51 |
AИP100L2P3 |
5,5 |
3000 |
85 |
|
|
180 |
200 |
3500 |
47 |
AИP100L4P3 |
4 |
1500 |
82 |
|
200 |
3500 |
43 |
AИP100S2P3 |
4 |
3000 |
84 |
|
|
280 |
4200 |
51 |
AИP100L2P3 |
5,5 |
3000 |
85 |
|
|
200 |
186 |
3400 |
47 |
AИP100S2P3 |
4 |
3000 |
84 |
|
256 |
4000 |
51 |
АИР100L2РЗ |
5,5 |
3000 |
85 |
|
|
224 |
165 |
3300 |
43 |
AИP100S2P3 |
4 |
3000 |
84 |
|
227 |
3800 |
51 |
AИP100L2P3 |
5,5 |
3000 |
85 |
|
|
250 |
153 |
3100 |
47 |
AИP100S2P3 |
4 |
3000 |
84 |
|
210 |
3600 |
51 |
AИP100L2P3 |
5,5 |
3000 |
85 |
|
|
280 |
127 |
2800 |
47 |
AИP100S2P3 |
4 |
3000 |
84 |
|
175 |
3300 |
51 |
AИP100L2P3 |
5,5 |
3000 |
85 |
|
|
315 |
123 |
2800 |
47 |
AИP100S2P3 |
4 |
3000 |
84 |
|
169 |
3300 |
51 |
AИP100L2P3 |
5,5 |
3000 |
85 |
|
|
355 |
98 |
2400 |
43 |
AИP100S2P3 |
4 |
3000 |
84 |
|
135 |
2900 |
51 |
AИP100L2P3 |
5,5 |
3000 |
85 |
|
|
400 |
95 |
2400 |
43 |
AИP100S2P3 |
4 |
3000 |
84 |
|
130 |
2900 |
51 |
AИP100L2P3 |
5,5 |
3000 |
85 |
|
|
мотор-редуктор МЦ2С-100 |
|||||||
|
28 |
445 |
5300 |
79 |
AИP100L8P3 |
1,5 |
1000 |
71 |
|
655 |
6400 |
81 |
AИP100L6P3 |
2,2 |
1000 |
77 |
|
|
31,5 |
440 |
5200 |
79 |
AИP100L8P3 |
1,5 |
1000 |
71 |
|
35,5 |
555 |
6000 |
81 |
AИP100L6P3 |
2,2 |
1000 |
77 |
|
710 |
6700 |
100 |
АИРМ112МА6РЗ |
3 |
1000 |
77 |
|
|
40 |
519 |
5700 |
81 |
АИР100L6РЗ |
2,2 |
1000 |
77 |
|
705 |
6600 |
100 |
АИРМ112МА6 |
3 |
1000 |
77 |
|
|
45 |
440 |
5300 |
81 |
AИP100L6 |
2,2 |
1000 |
77 |
|
595 |
6100 |
74 |
AИP100S4 |
3 |
1500 |
78 |
|