Исполнение и объем масла
Замена масла в редукторе, его объем основывается на таблицах, приведенных ниже на странице. Используя эти данные, достигается рациональная эксплуатация оборудования и, как следствие, продолжительный срок его службы.
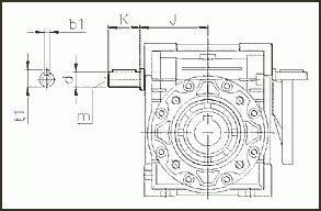
Исполнение
|
|
J | d(j6) | К | m | b1 | t1 |
| 30 | 45 | 9 | 20 | - | 3 | 10.2 |
| 40 | 53 | 11 | 23 | - | 4 | 12.5 |
| 50 | 64 | 14 | 30 | М6 | 5 | 16 |
| 63 | 75 | 19 | 40 | М6 | 6 | 21.5 |
| 75 | 90 | 24 | 50 | М8 | 8 | 27 |
| 90 | 108 | 24 | 50 | М8 | 8 | 27 |
| 110 | 135 | 28 | 60 | М10 | 8 | 31 |
| 130 | 155 | 30 | 80 | М10 | 8 | 33 |
| 150 | 175 | 35 | 80 | М12 | 10 | 38 |
|
|
d(h6) | T | T1 | L1 | Z | Z1 | m | b1 | t1 |
| 30 | 14 | 30 | 32.5 | 63 | 102 | 128 | M6 | 5 | 16 |
| 40 | 18 | 40 | 43 | 78 | 128 | 164 | М6 | 6 | 20.5 |
| 50 | 25 | 50 | 53.5 | 92 | 153 | 199 | М10 | 8 | 28 |
| 63 | 25 | 50 | 53.5 | 112 | 173 | 219 | М10 | 8 | 28 |
| 75 | 28 | 60 | 63.5 | 120 | 192 | 247 | М10 | 8 | 31 |
| 90 | 35 | 80 | 84.5 | 140 | 234 | 309 | М12 | 10 | 38 |
| 110 | 42 | 80 | 84.5 | 155 | 249 | 324 | М16 | 12 | 45 |
| 130 | 45 | 80 | 85 | 170 | 265 | 340 | М16 | 14 | 48.5 |
| 150 | 50 | 82 | 87 | 200 | 295 | 374 | M13 | 14 | 53,5 |

|
|
L | Н | К | D | R | В |
| 30 | 85 | 14 | 24 | 8 | 15 | 4 |
| 40 | 100 | 14 | 31.5 | 10 | 18 | 4 |
| 50 | 100 | 14 | 36.5 | 10 | 18 | 4 |
| 63 | 150 | 14 | 49 | 10 | 18 | 6 |
| 75 | 200 | 25 | 47.5 | 20 | 30 | 6 |
| 90 | 200 | 25 | 57.5 | 20 | 30 | 6 |
| 110 | 250 | 30 | 62 | 25 | 35 | 6 |
| 130 | 250 | 30 | 69 | 25 | 35 | 6 |
| 150 | 250 | 30 | 84 | 25 | 35 | 6 |
Параметры зацепления червячной пары
| типоразмер | i | 5 | 7.5 | 10 | 15 | 20 | 25 | 30 | 40 | 50 | 60 | 80 | 100 |
| 030 | m | 1.5 | 1.5 | 1.5 | 1.5 | 1 | 1.75 | 1.5 | 1 | 0.9 | 0.75 | 0.55 | / |
| z1 | 6 | 4 | 3 | 2 | 2 | 1 | 1 | 1 | 1 | 1 | 1 | / | |
| y | 29°3' | 20°19' | 15°31' | 10°29" | 5°42' | 6°10' | 5°17' | 2°52' | 3°26' | 2°52' | 1°58' | / | |
| nd | 0.874 | 0.856 | 0.829 | 0.782 | 0.673 | 0.700 | 0.667 | 0.520 | 0.567 | 0.520 | 0.422 | / | |
| ns | 0.723 | 0.675 | 0.637 | 0.559 | 0.461 | 0.442 | 0.400 | 0.308 | 0.319 | 0.275 | 0.221 | / | |
| 040 | m | 2 | 2 | 2 | 2 | 1.6 | 1.25 | 2 | 1.6 | 1.25 | 1 | 0.8 | 0.65 |
| z1 | 6 | 4 | 3 | 2 | 2 | 2 | 1 | 1 | 1 | 1 | 1 | 1 | |
| y | 30°58' | 21°48' | 16°42' | 11°19' | 11°19' | 8°8' | 5°43' | 5°43' | 4°5' | 2°52' | 2°52" | 2°29' | |
| nd | 0.886 | 0.862 | 0.839 | 0.805 | 0.792 | 0.738 | 0.675 | 0.668 | 0.604 | 0.541 | 0.513 | 0.477 | |
| ns | 0.737 | 0.703 | 0.661 | 0.589 | 0.559 | 0.502 | 0.434 | 0.411 | 0.351 | 0.284 | 0.276 | 0.243 | |
| 050 | m | 2.5 | 2.5 | 2.5 | 2.5 | 2 | 1.6 | 2.5 | 2 | 1.6 | 1.25 | 1 | 0.8 |
| z1 | 6 | 4 | 3 | 2 | 2 | 2 | 1 | 1 | 1 | 1 | 1 | 1 | |
| y | 30°58' | 21°48' | 16°42' | 11°19' | 11°19' | 9°5" | 5°43' | 5°43' | 4°21' | 2°52' | 2°52' | 2°17' | |
| nd | 0.887 | 0.874 | 0.852 | 0.808 | 0.805 | 0.771 | 0.711 | 0.693 | 0.634 | 0.532 | 0.530 | 0.483 | |
| ns | 0.737 | 0.695 | 0.654 | 0.581 | 0.561 | 0.517 | 0.434 | 0.403 | 0.352 | 0.289 | 0.270 | 0.227 | |
| 063 | m | / | 3.25 | 3.25 | 3.25 | 2.5 | 2 | 3.25 | 2.5 | 2 | 1.6 | 1.25 | 1 |
| z1 | / | 4 | 3 | 2 | 2 | 2 | 1 | 1 | 1 | 1 | 1 | 1 | |
| y | / | 24°31' | 18°53' | 12°51' | 11°19' | 8°45' | 6°30' | 5°43' | 4°24' | 3°3' | 2°52' | 2°12' | |
| nd | / | 0.880 | 0.870 | 0.830 | 0.820 | 0.780 | 0.740 | 0.716 | 0.660 | 0.571 | 0.562 | 0.486 | |
| ns | / | 0.710 | 0.670 | 0.600 | 0.557 | 0.510 | 0.450 | 0.409 | 0.360 | 0.304 | 0.276 | 0.229 | |
| 075 | m | / | 4 | 4 | 4 | 3 | 2.5 | 4 | 3 | 2.5 | 2 | 1.6 | 1.25 |
| z1 | / | 4 | 3 | 2 | 2 | 2 | 1 | 1 | 1 | 1 | 1 | 1 | |
| y | / | 28°4' | 21°48' | 14°56' | 11°19' | 11°19' | 7°36' | 5°43' | 5°43' | 3°49' | 4°21' | 2°52' | |
| nd | / | 0.912 | 0.904 | 0.876 | 0.850 | 0.848 | 0.810 | 0.770 | 0.769 | 0.695 | 0.719 | 0.626 | |
| ns | / | 0.712 | 0.683 | 0.614 | 0.570 | 0.542 | 0.466 | 0.420 | 0.395 | 0.342 | 0.316 | 0.267 | |
| 090 | m | / | 5 | 5 | 5 | 3.75 | 3 | 5 | 3.75 | 3 | 2.5 | 1.9 | 1.5 |
| z1 | / | 4 | 3 | 2 | 2 | 2 | 1 | 1 | 1 | 1 | 1 | 1 | |
| y | / | 33°41' | 26°34' | 18°26' | 14°02' | 11°19' | 9°28' | 7°08' | 5°43' | 4°46' | 3°53' | 2°52' | |
| nd | / | 0.905 | 0.898 | 0.873 | 0.849 | 0.824 | 0.804 | 0.765 | 0.727 | 0.690 | 0.638 | 0.572 | |
| ns | / | 0.734 | 0.706 | 0.650 | 0.606 | 0.563 | 0.505 | 0.459 | 0.414 | 0.380 | 0.342 | 0.271 | |
| 110 | m | / | 5.9 | 5.9 | 5.9 | 4.6 | 3.75 | 5.9 | 4.6 | 3.75 | 3.15 | 2.4 | 1.9 |
| z1 | / | 4 | 3 | 2 | 2 | 2 | 1 | 1 | 1 | 1 | 1 | 1 | |
| y | / | 28°46' | 22°22' | 15°21' | 14°20' | 14°02' | 7°49' | 7°17' | 7°08' | 5°48' | 4°54' | 3°37' | |
| nd | / | 0.901 | 0.891 | 0.862 | 0.848 | 0.851 | 0.793 | 0.776 | 0.768 | 0.729 | 0.692 | 0.628 | |
| ns | / | 0.721 | 0.691 | 0.631 | 0.618 | 0.598 | 0.482 | 0.478 | 0.451 | 0.415 | 0.372 | 0.319 | |
| 130 | m | / | 7 | 7 | 7 | 5.4 | 4.4 | 7 | 5.4 | 4.4 | 3.75 | 2.75 | 2.25 |
| z1 | / | 4 | 3 | 2 | 2 | 2 | 1 | 1 | 1 | 1 | 1 | 1 | |
| y | / | 29°15' | 22°47' | 15°39' | 13°47' | 12°24' | 7°58' | 7°00' | 6°17' | 6°7' | 3°56' | 3°41' | |
| nd | / | 0.911 | 0.891 | 0.872 | 0.860 | 0.845 | 0.803 | 0.779 | 0.758 | 0.749 | 0.671 | 0.657 | |
| ns | / | 0.721 | 0.691 | 0.631 | 0.610 | 0.583 | 0.492 | 0.460 | 0.435 | 0.406 | 0.335 | 0.308 |
Объём заливаемого масла (л)
| RV | 030 | 040 | 050 | 063 | 075 | 090 | 110 | 130 | 150 |
| B3 | 0.042 | 0.081 | 0.153 | 0.3 | 0.58 | 1.02 | 3.02 | 4.55 | 7 |
| B8 | 2.25 | 3.35 | 5.1 | ||||||
| B6,B7 | 2.55 | 3.55 | 5.4 | ||||||
| V5,V6 | 3.02 | 4.55 | 7 |