Ч-100
-
Вы можете забрать товар самостоятельно с нашего склада. Схема проезда здесь.
-
Для покупателей из Москвы и области мы можем доставить товар бесплатно. Требуется предварительное согласование времени и места доставки с нашими менеджерами.
-
Отправим любой транспортной компанией. Доставка редукторов до транспортной компании бесплатна.
- Предоплата от 30%
Редукторы червячные типа Ч-100
Назначение
Редуктор червячный Ч-100 применяется для снижения динамики угловой скорости вращения и повышения вращающего момента за счет преобразования энергии.
Нормальной рабочей средой редукторов считается содержание непроводящей пыли до 10 мг на 1 м3воздуха. Использование редукторов в агрессивной и взрывоопасной среде не рекомендуется.
Оптимальная частота вращения вала – не более 1800 об/мин.
Передаточное числовое значение червячной пары достигает соотношения 1:100. Соответственно, КПД снижается, при повышенных нагрузках составляя не более 42%.
Актуальность и простота использования червячного редуктора строится на его технических особенностях. Фактическое отсутствие шума при перегрузках и плавность хода одноступенчатой передачи определяют качественный потенциал использования редуктора.
Постоянные ударные нагрузки снижают потенциал использования редукторов примерно на 30%. Негативное воздействие на редуктор оказывает также пренебрежение смазочными материалами, препятствующими преждевременному истиранию ходовых деталей.
Для червячного редуктора характерен эффект самоторможения. При этом становится невозможным свободное вращение ведущего вала, что создает определенные ограничения по применению механизма.
Червячный редуктор незаменим в качестве бюджетного решения, касающегося минимизации частоты вращения и потенциального увеличения крутящего момента при критических условиях эксплуатации. Гарантийный срок использования устройства составляет примерно 10 тыс. часов беспрерывной работы.
Условия применения редукторов
- нагрузка постоянная и переменная одного направления и реверсивная;
- работа постоянная и с периодическими остановками;
- вращение валов в любую сторону;
- температура внешней среды - от минус 40 до плюс 50°С;
- внешняя среда - неагрессивная, невзрывоопасная.
Условное обозначение
Пример условного обозначения редуктора при заказе:
Редуктор Ч-100-40-51-У3-В или Ч-100-20-52-Т, где:
- Ч - тип редуктора;
- 100 - межосевое расстояние, мм.;
- 40 и 20 - номинально передаточное число;
- 51 и 52 - вариант исполнения сборки;
- У3 и Т - климатическое исполнение и категория размещения;
- В - поставка редуктора с вентилятором (для режима работы - 1).
Вариант сборки редукторов и расположения червячной пары
Технические характеристики
| U ном. | Ч-100 | ||||||||||
| U фак. | 1500 мин.-1 | 1000 мин.-1 | 750 мин.-1 | Консольная нагрузка | Уровень звука | Масса | |||||
| Мт Н.м | η | Мт Н.м | η | Мт Н.м | η | Рб; Н | Рт; Н | ДБА | кг | ||
| 8 | 7,75 | 380 | 0,93 | 426 | 0,92 | 477 | 0,91 | 800 | 5500 | 80 | 57 (44) |
| 10 | 10 | 367 | 0,93 | 410 | 0,91 | 460 | 0,90 | ||||
| 12,5 | 12 | 374 | 0,92 | 420 | 0,90 | 470 | 0,89 | ||||
| 16 | 15,5 | 392 | 0,89 | 440 | 0,87 | 492 | 0,85 | ||||
| 20 | 20 | 389 | 0,87 | 414 | 0,85 | 464 | 0,83 | ||||
| 25 | 24 | 372 | 0,87 | 417 | 0,84 | 466 | 0,83 | ||||
| 31,5 | 31 | 400 | 0,70 | 448 | 0,66 | 500 | 0,63 | ||||
| 40 | 40 | 387 | 0,78 | 433 | 0,74 | 485 | 0,71 | ||||
| 50 | 48 | 389 | 0,77 | 436 | 0,73 | 488 | 0,71 | ||||
| 63 | 64 | 313 | 0,69 | 350 | 0,64 | 396 | 0,60 | ||||
| 80 | 84 | 292 | 0,69 | 327 | 0,61 | 366 | 0,58 | ||||
где: Uном; Uфак. - номинальное и фактическое передаточное число; 1500мин-1; 1000мин-1; 750мин-1- частота вращения быстроходного вала; Мт - наибольший допускаемый крутящий момент, Н·м; η - коэффициент полезного действия; Рб - консольная нагрузка на середину шейки быстроходного конца вала, Н; Рт - консольная нагрузка на середину шейки тихоходного конца вала, Н; в скобках- масса редуктора с алюминиевым корпусом.
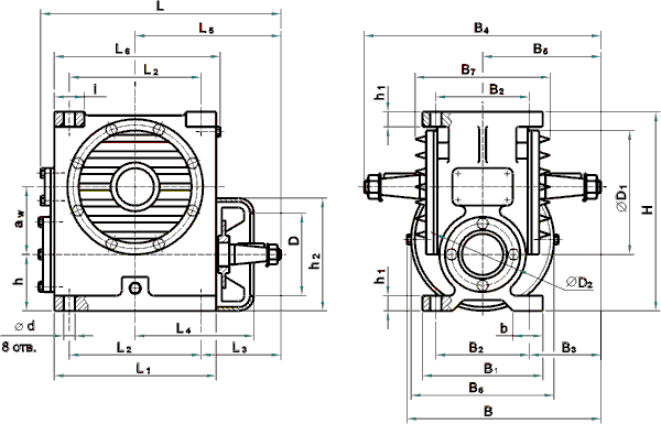
Габаритные и присоединительные размеры
| Типоразмер редуктора | аw | L | L1 | L2 | L3 | L4 | L5 | L6 | l | d | b | H | h |
| Ч-100 | 100 | 373 | 240 | 200 | 125 | 177 | 225 | 257 | 40 | 19 | 45 | 312 | 100 |
| Типоразмер редуктора | h1 | h2 | D | D1 | D2 | B | B1 | B2 | B3 | B4 | B5 | B6 | B7 |
| Ч-100 | 18 | 179 | 140 | 220 | 150 | 341 | 175 | 140 | 155 | 450 | 225 | 218 | 217 |
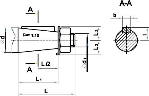
| Типоразмер редуктора | Выходные концы валов | L | L1 | L2 | L3 | b | d | d1 | t | m | |
| Ч-100 | конические | Вал быстроходный | 80 | 58 | 24 | 18 | 6 | 32 | M20xl,5-8g | 17,05 | - |
| Вал тихоходный | 110 | 82 | 32 | 25 | 12 | 45 | М30х2- 8g | 23,45 | - | ||
| цилиндрические | Вал быстроходный | 80 | - | - | - | 10 | 32 | - | 35 | - | |
| Вал тихоходный | 110 | - | - | - | 14 | 45 | - | 48,5 | - | ||
| Вал полый шлицевой | 205 | 90 | 57,5 | - | - | 45 | 46 | - | 2 | ||
Процедура покупки товара в нашем Интернет-магазине очень проста и состоит из нескольких шагов.
1. Оформление заказа
После выбора товара нажмите кнопку купить — товар добавится в вашу корзину.
Далее, если вы закончили выбирать товар, нажмите кнопку Моя корзина.
На странице Моя корзина будут перечислены все выбранные вами товары.
В поле Количество вы пожете изменить количество товара для покупки.
В колонке Действия над каждым товаром можно произвести следующие действия: либо удалить товар из корзины, либо отложить товар на будущее.
Также можно ввести код скидки в соответствующее поле.
2. Оформление и подтверждение заказа
После ввода необходимой информации о доставке товара (ФИО получателя, адрес доставки, контактные данные, вариант доставки, способ оплаты и т.д) для оформления заказа вам нужно нажать кнопку Оформить заказ.
Копия заказа будет выслана на ваш e-mail, указанный при оформлении заказа.
Внимание! Неправильно указанный номер телефона, неточный или неполный адрес могут привести к дополнительной задержке! Пожалуйста, внимательно проверяйте ваши персональные данные при регистрации и оформлении заказа.
Через некоторое время (обычно в течение часа) после оформления покупки, с вами свяжется наш менеджер по контактным данным, указанным при оформлении заказа. С менеджером можно будет согласовать точное время и сроки доставки, а также уточнить детали.
Примечание: Для постоянных клиентов на сайте магазина есть Регистрация. В своем кабинете вы можете просмотреть содержимое корзины, историю своих заказов, а также повторить или отказаться от заказа, подписаться на рассылку новостей магазина.
3. Оплата и цены
Цены, указанные на сайте, являются окончательными и не требуют доплат при стандартных условиях поставки. Все налоги включены в стоимость товара.
Внимание! Для каждого отдельного заказа возможен только один способ оплаты на ваш выбор. Оплата заказа по частям различными способами невозможна.
Возможные способы оплаты:
- Наличный расчет.
Оплата производится наличными курьеру при доставке или в магазине при самовывозе. Вместе с товаром передается товарный и кассовый чеки, а также гарантийный талон. - Оплата через Сбербанк.
Вы можете оплатить заказ в любом отделении Сбербанка. За услугу по переводу денег с вас возьмут от 3 до 7% от стоимости заказа, в зависимости от региона. Перечисление денег займет порядка 10 дней.
Интернет-магазин выполняет доставку любого товара своей собственной Службой доставки.
1. Стоимость доставки курьером
Стоимость доставки товара из нашего магазина - 500 руб, при условии выбора при заказе товара в качестве способа доставки нашим курьером.
2. Время доставки
Время доставки согласовывается с менеджером Службы доставки, который обязательно свяжется с вами сразу после того, как вы разместите свой заказ.
Внимание! Неправильно указанный номер телефона, неточный или неполный адрес могут привести к дополнительной задержке! Пожалуйста, внимательно проверяйте ваши персональные данные при регистрации и оформлении заказа.Конфиденциальность ваших регистрационных данных гарантируется.
Доставка выполняется ежедневно с 10:00 до 20:00 часов, в субботу с 10:00 до 14:00, в воскресенье доставки нет. Товары, заказанные вами в субботу и воскресенье, доставляются в понедельник. Время осуществления доставки зависит от времени размещения заказа и наличия товара на складе:
- если заказ подтвержден менеджером Службы доставки до 12:00, товар может быть доставлен на следующий рабочий день между 10:00 и 15:00 или между 15:00 и 20:00;
- если заказ подтвержден менеджером Службы доставки после 12:00, товар может быть доставлен на следующий рабочий день между 15:00 и 18:00.
Вы также можете указать любое другое удобное время доставки, и покупка будет доставлена в удобное вам время. Иное время доставки, а также время доставки в населенные пункты области определяется по договоренности с клиентом.
3. Место доставки
Доставка осуществляется по адресу, указанному при оформлении заказа. Если необходимо доставить товар по иному адресу, необходимо сообщить адрес менеджеру Службы доставки, который свяжется с вами непосредственно после оформления заказа на сайте.
4. Правила
При доставке вам будут переданы все необходимые документы на покупку: товарный, кассовый чеки, а также гарантийный талон.При оформлении покупки на организацию, вам будут переданы счет-фактура, а также накладная, в которой необходимо поставить печать вашей организации.Цена, указанная в переданных вам курьером документах, является окончательной, курьер не обладает правом корректировки цены.Стоимость доставки выделяется в документах на покупку отдельной графой.
Внимание! Просим вас помнить, что все технические параметры и потребительские свойства приобретаемого товара вам следует уточнять у нашего менеджера до момента покупки товара. В обязанности работников Службы доставки не входит осуществление консультаций и комментариев относительно потребительских свойств товара. При необходимости инсталляции приобретаемого в нашем магазине товара вам необходимо сообщить об этом нашему менеджеру.При доставке вам заказанного товара проверяйте комплектность доставленного товара, работоспособность товара, соответствие доставленного товара описанию на нашем сайте, также проверьте товар на наличие механических повреждений. При не заявлении вами при получении товара претензий по поводу механических повреждений, в дальнейшем подобные претензии не рассматриваются. В случае вопросов, пожеланий и претензий обращайтесь к нам по следующим координатам:
Служба доставки: 8 (495) 123 45 67 (многоканальный).
Электронная почта: info@innet-it.ru
1. Оплата интернет-покупок наличными
Один из самых популярных способов оплаты покупок в интернет-магазинах. Оплата производится в момент получения покупателем товара или услуги. Обычно это происходит при доставке товара курьером или при самовывозе товара со склада продавца.
2. Оплата интернет-покупок через Сбербанк России
На данный момент Сбербанк России имеет самую распостранённую сеть отделений по всей Российской Федерации.
Покупателю выводится на экран бланк извещения для оплаты через Сберегательный банк России. Этот бланк извещения уже заполнен необходимыми данными о продавце и сумме оплаты. Покупателю остаётся только вписать своё имя и дату и оплатить счёт в любом удобном для него отделении СБ РФ.
3. Оплата через платёжную систему Яндекс.деньги
Для покупателей-пользователей платёжной системы Яндекс.деньги. Им необходимо быть зарегистрированными и иметь свой виртуальный кошелёк в этой системе.
После того, как покупатель заполнит на странице "Корзина покупки" вашего интернет-магазина необходимые данные, он переходит в свой кошелёк. Здесь он увидит форму прямого перевода денег с его кошелька на ваш кошелёк, где уже вписаны все необходимые данные, и покупателю нужно только нажать на кнопку "ОК".
Для подключения к этому способу оплаты вам необходимо зарегистрироваться на сайте Яндекса и активировать интернет-кошелек, в котором будут скапливаться полученные данным способом платежи.
Система предлагает разные способы вывода денег из виртуального кошелька.
Одной из важных составляющих работы нашего интернет-магазина является то, что продаваемые товары сертифицированы и обеспечены фирменной гарантией фирм-производителей.
Для осуществления гарантийного обслуживания необходимы:
- правильно и без помарок и исправлений заполненный гарантийный талон, в котором должны быть указаны модель и серийный номер изделия, дата продажи и печать торгующей организации;
- документ, подтверждающий покупку (товарная накладная);
- полная комплектация товара.
Обращаем также ваше внимание на то, что при получении и оплате заказа покупатель в присутствии курьера обязан проверить комплектацию и внешний вид изделия на предмет отсутствия физических дефектов (царапин, трещин, сколов и т.п.) и полноту комплектации. После отъезда курьера претензии по этим вопросам не принимаются.
Гарантийное обслуживание не производится, если:
- утерян или не заполнен гарантийный талон
- оборудование было поставлено на территорию РФ неофициально
- изделие имеет следы механического повреждения или вскрытия
- нарушены заводские пломбы
- были нарушены условия эксплуатации, транспортировки или хранения
- проводился ремонт лицами, не являющимися сотрудниками авторизованного сервисного центра
- использовались неоригинальные комплектующие
Подробное описание условий предоставления гарантии вы можете найти в документации к приобретенному товару и/или на сайте соответствующего производителя.
Условия возврата товара, купленного в Интернет-магазине существенно отличаются от товара, купленного в обычном магазине.
Поскольку Интернет-магазин является дистанционным способом продажи, то в отношении такого способа продажи действуют особые правила. Эти правила регулируются статьей 26.1 ФЗ «О защите прав потребителей», а также «Правилами продажи товаров дистанционным способом», утвержденных Постановлением Правительства РФ от 27.09.2007 г. №612.
Главное правило, которое действует в отношении товаров, купленных в интерне-магазине – это право отказаться от покупки и вернуть товар без объяснения причин в течение 7-и дней после доставки (а также в любое время до момента доставки). Именно так – без объяснения причин, т.е. не надо давать объяснения по поводу расцветки, фасона и т.п., как с товаром из обычного магазина.
В момент доставки, вместе с товаром покупателю должна быть предоставлена письменная памятка о праве вернуть товар в течение 7-и дней. Если такая памятка не была предоставлена, то срок возврата увеличивается до 3-х месяцев.
Информация (памятка) о порядке и сроках возврата товара потребителем должна содержать:
а) адрес (место нахождения) продавца, по которому осуществляется возврат товара;
б) режим работы продавца;
в) максимальный срок, в течение которого товар может быть возвращен продавцу, или минимально установленный срок (от 7 дней);
г) предупреждение о необходимости сохранения товарного вида, потребительских свойств товара надлежащего качества до возврата его продавцу, а также документов, подтверждающих заключение договора;
д) срок и порядок возврата суммы, уплаченной покупателем за товар.
Отсутствие одного из пунктов может считаться непредоставлением покупателю информации о порядке и сроках возврата товара.
При покупке в Интернет-магазине, в течение 7-и дней после доставки можно отказаться от любого товара. При продаже товаров дистанционным способом,не действует вышеуказанный Перечень товаров, не подлежащих обмену и возврату.
Единственное ограничение – нельзя вернуть товар, изготовленный на заказ (по индивидуально-определенным характеристикам), если отсутствуют недостатки.
Еще одно условие – товар не должен иметь следов использования, сохранены ярлыки и пломбы, сохранена упаковка.
Как видите, закон не требует обязательно сохранять чек, поскольку покупатель может подтверждать покупку другими способами (иные документы, штампы на упаковке, электронная переписка, свидетели). Но на практике, во избежание лишних споров лучше завести привычку сохранять чеки.
Еще один совет: настоятельно рекомендую заиметь привычку проверять любой товар на наличие внешних дефектов в момент доставки. Подписывая акт доставки, обязательно укажите обнаруженные дефекты (царапины и т.п.). Кстати, акт должен быть в 2-х экземплярах. Поэтому, если указываете замечания к внешнему виду, то требуйте копию акта.
Также требуйте копию акта, когда товар доставляется в разобранном виде (мебель и т.п.). В акте надо указать, что товар доставлен в разобранном виде.
Указанный акт необходим на случай возникновения спора во время возврата или обнаружения скрытых дефектов.
